• <li id="ooooo"></li>
  • <li id="ooooo"><table id="ooooo"></table></li>
    <tt id="ooooo"><table id="ooooo"></table></tt>
  • <li id="ooooo"></li>
  • 全國免費咨詢電話:400-811-7869
    您當前所在位置是:回轉窯網>>新聞資訊>>文章內容
    豫暉公司新推出生物質顆粒機的冷卻潤滑系統

      技術背景:

      現有生物質顆粒機的軸承潤滑介質是采用油脂潤滑,需要進行定時加油。因壓輪壓制顆粒時,處于高溫工作狀態,易產生油脂結痂,而損壞軸承。

      為了克服現有技術的上述缺點,豫暉公司精心研究,新推出一種實時對軸承進行連續潤滑,及時給軸承降溫,使軸承內不會產生結痂,降低軸承工作時的溫度,提高軸承和壓輪使用壽命,同時能減少潤滑油的損耗,降低了工作成本的生物質顆粒機的冷卻潤滑系統。

      技術方案:

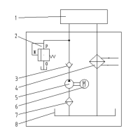
    顆粒冷卻潤滑系統  左側圖為生物質顆粒機的冷卻潤滑系統,將顆粒機內部油路的外接進油口設在軸承座上,軸承座與主軸之間用旋轉油封密封,主軸與壓輪支承座用過渡板連接,壓輪支承座與壓輪間用O形圈密封,再通過外接出油口和外接進油口分別與外部供油裝置相連通,外部供油裝置的油箱中的常溫液態油經泵送至外接進油口提供給顆粒機內部油路,經過顆粒機內部油路后回油至冷卻機,降溫后再回至液壓站油箱,形成冷卻潤滑循環回路。

      顆粒機內部的潤滑油路采用從軸承座至主軸至壓輪支承座至壓輪的中間進油方式,潤滑油從外部供油裝置的油管輸送到軸承座,經軸承座輸送到主軸,經主軸輸送到壓輪支承座,經壓輪支承座輸送到壓輪內,達到潤滑壓輪軸承的目的。

      顆粒機內部的潤滑油路是通過機加工分別在軸承座、主軸、壓輪支承座和壓輪上分別開設油槽作為潤滑油道。外部供油裝置采用液壓站進行供油,液壓站的油箱中的液態油經過濾器過濾后,在電機和泵的作用下,經單向閥和溢流閥實時輸送至將顆粒機內部的潤滑油路的外接進油口。

      系統優勢:

      采用液態油實時潤滑軸承,顆粒機內部油路與液壓站形成回路,液壓站供常溫液態油至壓輪處對軸承實行在線潤滑,回油時攜帶軸承熱量至冷卻機,降溫后再回至液壓站油箱,實時對軸承進行連續潤滑,及時給軸承降溫,使軸承內不會產生結痂,降低軸承工作時的溫度,提高軸承和壓輪使用壽命,同時能減少潤滑油的損耗,降低了工作成本。

    創建時間 2016-08-05 來源 回轉窯網 瀏覽
    主營產品節能球磨機
    環保石灰窯 破碎機
    回轉窯設備 選礦設備
    網站首頁 公司簡介 產品中心 新聞資訊 技術資料 行業知識 服務中心 聯系我們 html-xml
    推薦新品:專業回轉窯生產廠家 Copyright © 河南豫暉礦山機械有限公司 版權所有 河南省鄭州市化工西路
    全國免費咨詢電話:400-811-7869 電話:0371-55018888 手機:13803857310(白經理) 豫ICP備10209222號-2 亚洲中文字幕男人的天堂喷水